ТМ 10

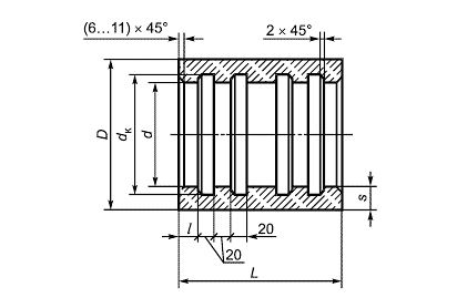
Чертеж изделия:
Характеристики изделия:
ПараметрЗначение
длина220 мм
ширина530 мм
высота530 мм
масса34,6 кг
нормативный документГОСТ 31416-2009

ТМ 10   Муфты хризотилцементные для напорных теплопроводов ГОСТ 31416-2009.