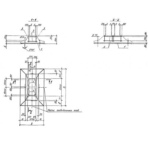
Ф4

Чертеж изделия:
Характеристики изделия:
ПараметрЗначение
длина2700 мм
ширина4200 мм
высота900 мм
вес13430 мм
серия0-221-84

Ф4 Плита фундаментная по серии 0-221-84.