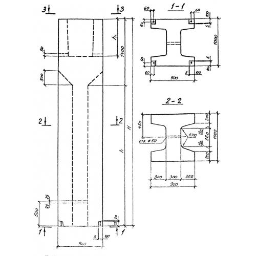
ВБ 9.10.42

Чертеж изделия:
Характеристики изделия:
ПараметрЗначение
длина900 мм
ширина1000 мм
высота4190 мм
вес7250 мм
серия0-221-84

ВБ 9.10.42 Блоки-стаканы верхние по серии 0221-84.