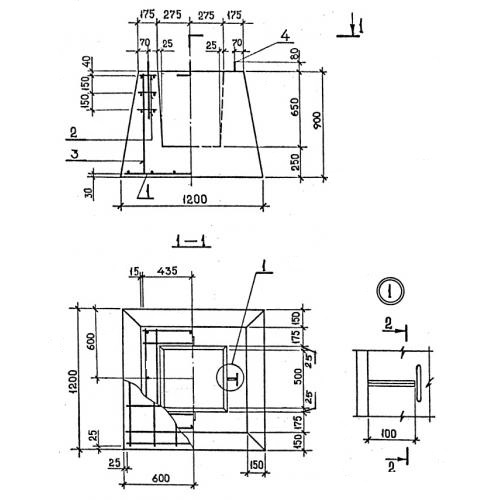
2Ф 12.9 фундаменты под колонну
Характеристики изделия:
| Параметр | Значение |
|---|---|
| длина | 1200 мм |
| ширина | 1200 мм |
| высота | 900 мм |
| масса | 2100 кг |
| нормативный документ | Серия 1.020-1/83 |
Цена:
Рассчитать стоимость2Ф 12.9 Фундаменты цельные под колонны Серия 1.020-1/83.
