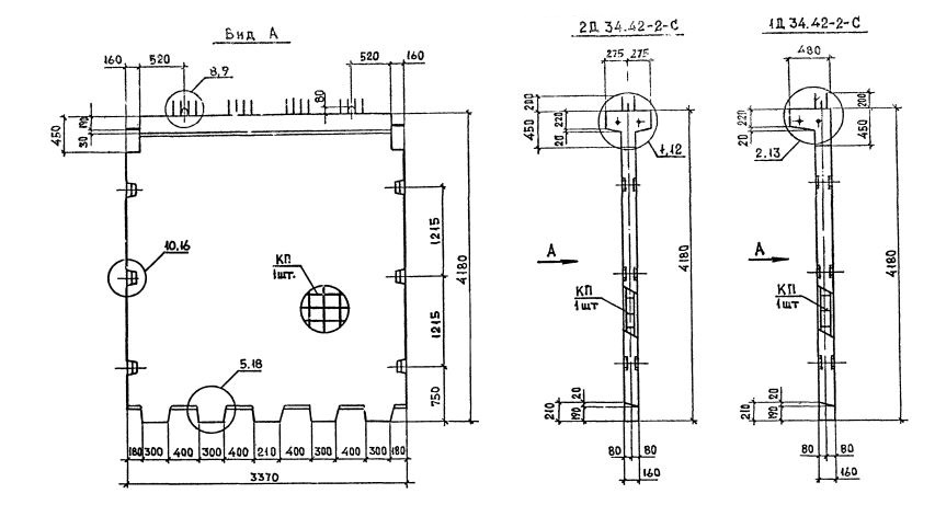
Д 34
Характеристики изделия:
| Параметр | Значение |
|---|---|
| длина | 3370 мм |
| ширина | 550 мм |
| высота | 4180 мм |
| масса | 6500 кг |
| нормативный документ | Серия 1.020.1-2с/89 |
Цена:
Рассчитать стоимостьД 34 Диафрагмы жесткости Серия 1.020.1-2с/89.
| Параметр | Значение |
|---|---|
| длина | 3370 мм |
| ширина | 550 мм |
| высота | 4180 мм |
| масса | 6500 кг |
| нормативный документ | Серия 1.020.1-2с/89 |
Д 34 Диафрагмы жесткости Серия 1.020.1-2с/89.