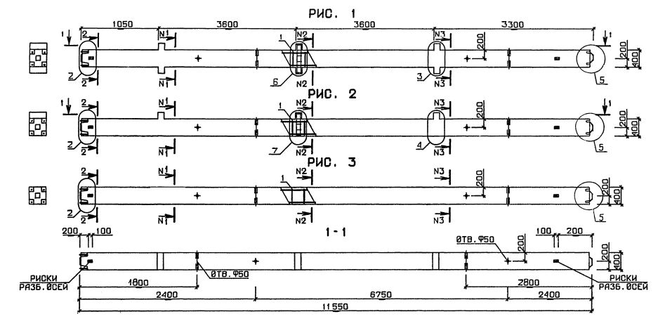
3КНД 4.36

Чертеж изделия:
Характеристики изделия:
ПараметрЗначение
длина11550 мм
ширина400 мм
высота700 мм
масса5780 кг
нормативный документСерия 1.020.1-3пв

3КНД 4.36  Колонны нижние двухконсольные Серия 1.020.1-3пв.