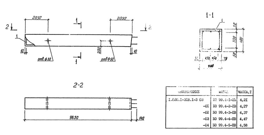
БО 99.4

Чертеж изделия:
Характеристики изделия:
ПараметрЗначение
длина9990 мм
ширина400 мм
высота400 мм
масса4580 кг
нормативный документСерия 1.020.1-3пв

БО 99.4  Балки обвязочные Серия 1.020.1-3пв.