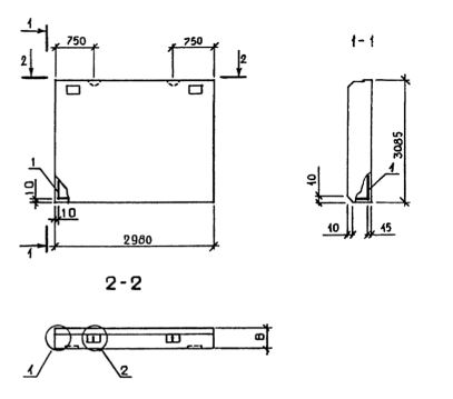
ПСЦ 30.31.25

Чертеж изделия:
Характеристики изделия:
ПараметрЗначение
длина2980 мм
ширина3085 мм
высота250 мм
масса3070 кг
нормативный документСерия 1.020.1-3пв

ПСЦ 30.31.25  Панели стеновые цокольные Серия 1.020.1-3пв.