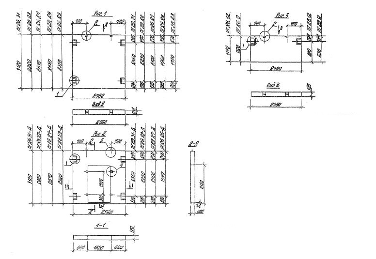
ПГ 26-31д
Характеристики изделия:
| Параметр | Значение |
|---|---|
| длина | 2560 мм |
| ширина | 120 мм |
| высота | 3120 мм |
| масса | 1580 кг |
| нормативный документ | Серия 1.020.1-4 |
Цена:
Рассчитать стоимостьПГ 26.31 д Панели внутренних стен лестничных клеток с дверным проемом (Серия 1.020.1-4).