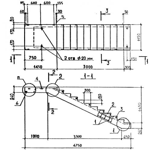
ЛМП 57.11.17 лестничные марши
Характеристики изделия:
| Параметр | Значение |
|---|---|
| длина | 4625 мм |
| ширина | 1150 мм |
| высота | 1650 мм |
| масса | 2100 кг |
| нормативный документ | Серия 1.050.1-2 |
Цена:
Рассчитать стоимостьЛМП 57.11.17 Лестничные марши ребристые с полуплощадками Серия 1.050.1-2.
