ПР 30.15

Чертеж изделия:
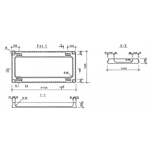
Характеристики изделия:
ПараметрЗначение
длина2980 мм
ширина1490 мм
высота220 мм
масса1327 кг
нормативный рядСерия 1.090.1-1

ПР 30.15  Плиты перекрытия ребристые Серия 1.090.1-1.