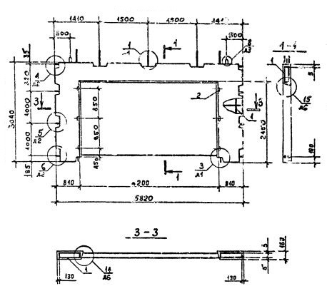
ПВР 58.30.42-Т-С
Характеристики изделия:
| Параметр | Значение |
|---|---|
| длина | 5820 мм |
| ширина | 160 мм |
| высота | 3040 мм |
| масса | 2790 кг |
| нормативный документ | Серия 1.090.1-2с |
Цена:
Рассчитать стоимостьПВР 58.30.42-7Т-С Панели внутренние рамные (Серия 1.090.1-2с).
ПВР 58.30.42-3Т-С
3Т - бетон тяжелый марки М250.
7Т - бетон тяжелый марки М250, панель с косвенным армированием.
С - для сейсмических районов.