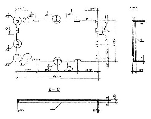
ПВ 58.30-1Т-С

Чертеж изделия:
Характеристики изделия:
ПараметрЗначение
длина5820 мм
ширина160 мм
высота3040 мм
масса6850 мм
нормативный документСерия 1.090.1-2с

ПВ 58.30-1Т-С  Панели внутренние без проемов (Серия 1.090.1-2с).

1Т - бетон  тяжелый марки М150.

С - для сейсмических районов.