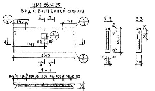
ЦР1-36.14.25
Характеристики изделия:
| Параметр | Значение |
|---|---|
| длина | 3590 мм |
| ширина | 250 мм |
| высота | 1430 мм |
| масса | 2240 кг |
| нормативный документ | Серия 1.117-9 |
Цена:
Рассчитать стоимостьСерия 1.117-9 Панели групп ЦР1, ЦР2, ЦР4, ЦР5 толщиной 250 мм.
ЦР1-36.14.25 Панели наружных цокольных стен.
Ц - наружная цокольная стеновая панель;
Р1 - группа изделия- рядовая, группа 1;
Числа после тире характеризуют геометрические размеры цокольной панели (длина, высота - в дециметрах с округлением, толщина - в см).
В несимметричных изделиях правая панель маркировки не имеет, в маркировке "левой" панели проставляется буква "л".