4БНУЛ 10.6.50
Характеристики изделия:
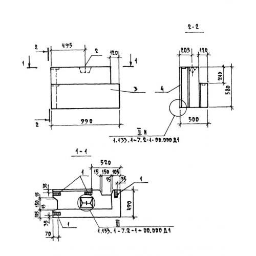
| Параметр | Значение |
|---|---|
| длина | 990 мм |
| ширина | 500 мм |
| высота | 580 мм |
| вес | 270 кг |
| серия | 1.133.1-7 |
Цена:
Рассчитать стоимость4БНУЛ 10.6.50 Блоки поясные угловые лоджий по серии 1.133.1-7.
| Параметр | Значение |
|---|---|
| длина | 990 мм |
| ширина | 500 мм |
| высота | 580 мм |
| вес | 270 кг |
| серия | 1.133.1-7 |
4БНУЛ 10.6.50 Блоки поясные угловые лоджий по серии 1.133.1-7.
