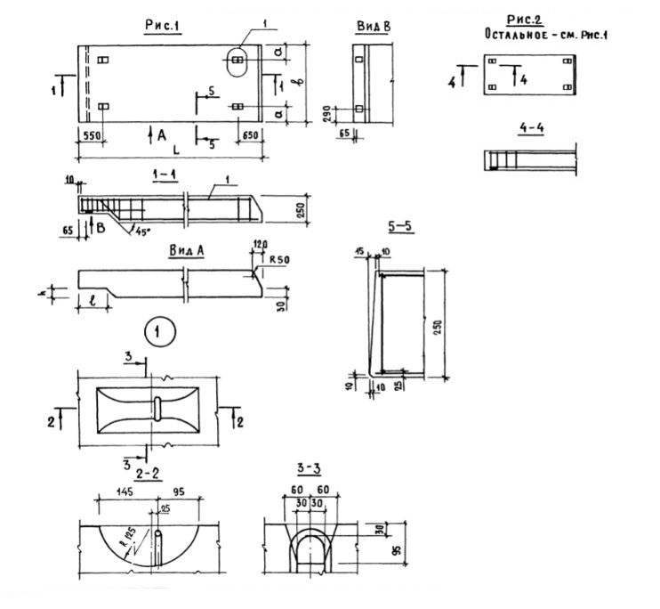
ПРТ 60.24.25

Чертеж изделия:
Характеристики изделия:
ПараметрЗначение
длина5980 мм
шриина2380 мм
высота250 мм
масса4820 кг
нормативный документСерия 1.165.1-12

ПРТ 60.24.25   Плиты покрытия плоские для зданий с теплым чердаком Серия 1.165.1-12.