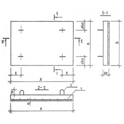
ПТ 16.14 плиты плоские железобетонные

Чертеж изделия:
Характеристики изделия:
ПараметрЗначение
длина1600 мм
ширина1400 мм
высота80 мм
масса448 кг
нормативный документСерия 1.243.1-4

ПТ 16.14  Плиты плоские железобетонные Серия 1.243.1-4.