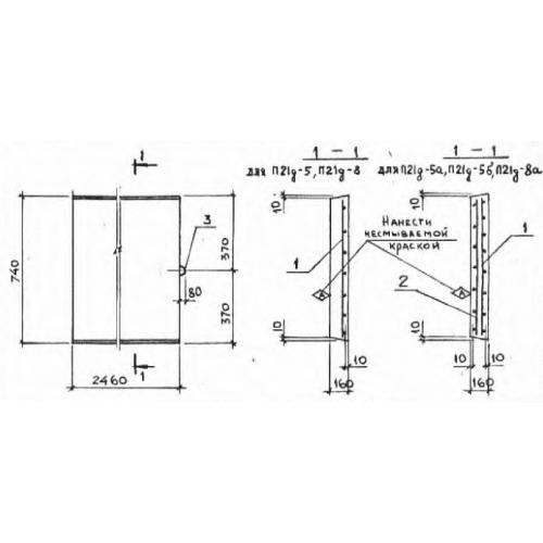
П 21д

Чертеж изделия:
Характеристики изделия:
ПараметрЗначение
длина740 мм
ширина2460 мм
высота160 мм
вес730 кг
серия3.006-2

П 21д Плиты перекрытия лотков доборные по серии 3.006-2.