П 22д
Характеристики изделия:
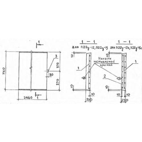
| Параметр | Значение |
|---|---|
| длина | 740 мм |
| ширина | 2460 мм |
| высота | 250 мм |
| вес | 1140 кг |
| серия | 3.006-2 |
Цена:
Рассчитать стоимостьП 22д Плиты перекрытия лотков доборные по серии 3.006-2.
| Параметр | Значение |
|---|---|
| длина | 740 мм |
| ширина | 2460 мм |
| высота | 250 мм |
| вес | 1140 кг |
| серия | 3.006-2 |
П 22д Плиты перекрытия лотков доборные по серии 3.006-2.
