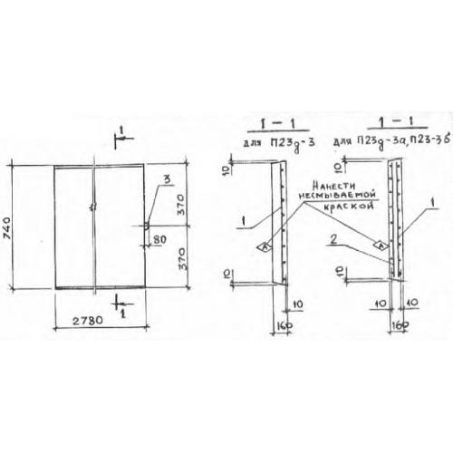
П 23д

Чертеж изделия:
Характеристики изделия:
ПараметрЗначение
длина740 мм
ширина2780 мм
высота160 мм
вес820 кг
серия3.006-2

П 23д Плиты перекрытия лотков доборные по серии 3.006-2.