П 21

Чертеж изделия:
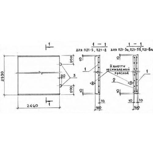
Характеристики изделия:
ПараметрЗначение
длина2990 мм
ширина2460 мм
высота160 мм
масса2940 кг
нормативный документСерия 3.006.1-2/82

П 21  Плиты перекрытия лотков Серия 3.006.1-2/82.