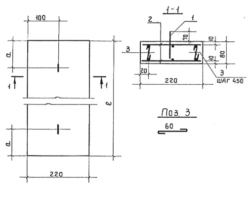
ПНТ 2т

Чертеж изделия:
Характеристики изделия:
ПараметрЗначение
Длина1480 мм
Ширина220 мм
Высота80 мм
Масса70 кг
Нормативный документСерия 3.019.1-1

ПНТ 2т  Плита покрытия по Серии 3.019.1-1.