СТ 1 Стенки откосные

Чертеж изделия:
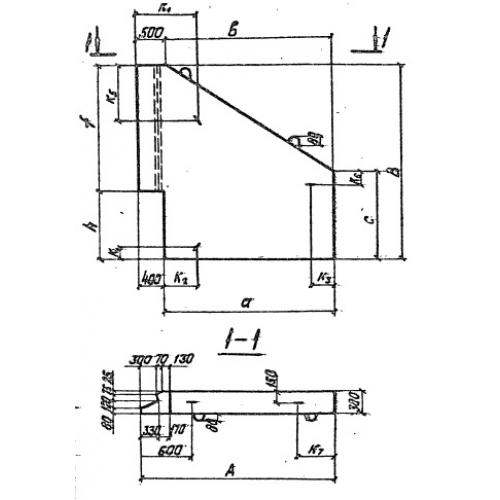
Характеристики изделия:
ПараметрЗначение
длина1850 мм
ширина300 мм
высота2270 мм
масса2200 кг
нормативный документСерия 3.501.1-144

СТ 1  Стенки откосные по Серии 3.501.1-144.