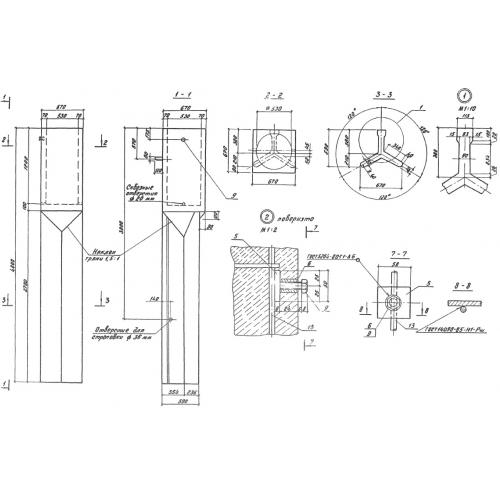
ТС 4.0

Чертеж изделия:
Характеристики изделия:
ПараметрЗначение
длина4000 мм
ширина670 мм
высота670 мм
вес1530 кг
серия3.501.1-149

ТС 4.0 Фундаменты трехлучевые стаканные по серии 3.501.1-149.