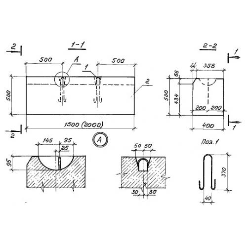
У-1 блок упора

Чертеж изделия:
Характеристики изделия:
ПараметрЗначение
длина1500 мм
ширина400 мм
высота500 мм
вес720 кг
серия3.501.1-156

У-1 Блоки упора по серии 3.501.1-156.