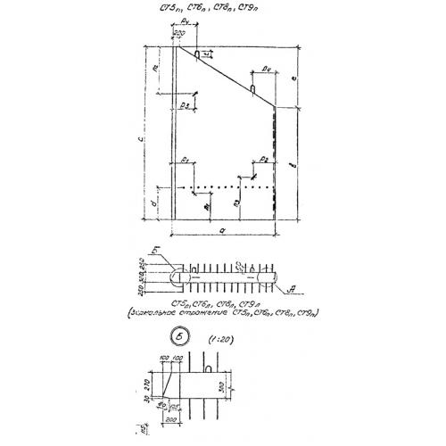
СТ 5 стенка

Чертеж изделия:
Характеристики изделия:
ПараметрЗначение
длина3400 мм
ширина3250 мм
высота300 мм
масса5200 кг
нормативный документСерия 3.501.1-179.94

СТ 5 Откосные стенки по Серии 3.501.1-179.94.