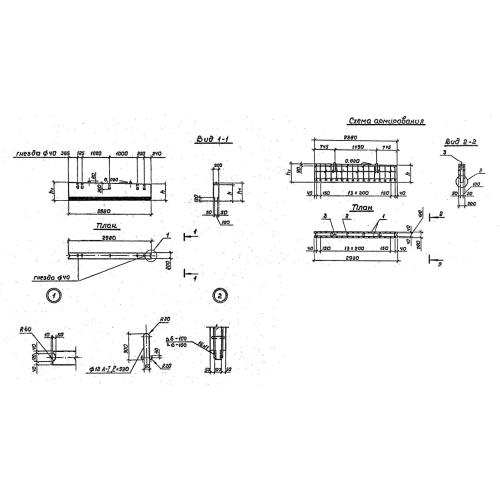
БШ 30-5

Чертеж изделия:
Характеристики изделия:
ПараметрЗначение
длина2980 мм
ширина200 мм
высота640 мм
вес1000 кг
серия3.503.1-79

БШ 30-5 Блоки шкафных стенок по серии 3.503.1-79.