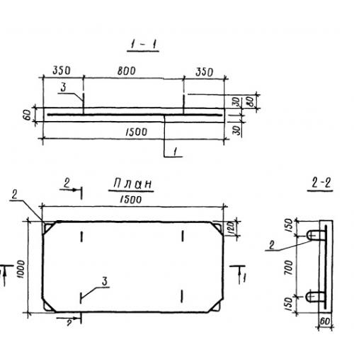
ПП 10-15

Чертеж изделия:
Характеристики изделия:
ПараметрЗначение
длина1500 мм
ширина1000 мм
высота60 мм
масса225 кг
нормативный документСерия 3.820-6

ПП 10-15 Плиты плоские прямоугольные по Серии 3.820-6.