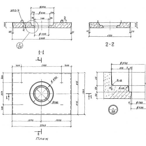
КЦО 3 Плиты дорожные с нишей для люка

Чертеж изделия:
Характеристики изделия:
ПараметрЗначение
длина2500 мм
ширина1750 мм
высота220 мм
масса2120 кг
нормативный документСерия 3.900.-3

КЦО 3 Плиты дорожные с нишей для люка по Серии 3.900.-3.