П 23-16

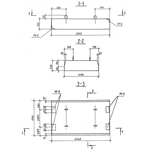
Чертеж изделия:
Характеристики изделия:
ПараметрЗначение
длина2260 мм
ширина1580 мм
высота220 мм
масса1960 кг
нормативный документСерия 3.903 КЛ-13

П 23-16  Плиты перекрытия по Серии 3.903 КЛ-13.