П 43-16

Чертеж изделия:
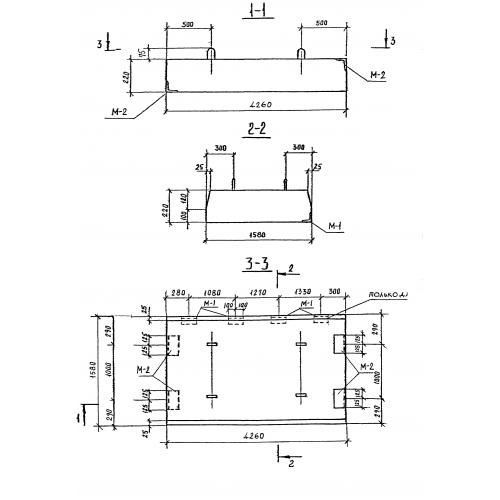
Характеристики изделия:
ПараметрЗначение
длина4260 мм
ширина1580 мм
высота220 мм
масса3700 кг
нормативный документСерия 3.903 КЛ-13

П 43-16  Плиты перекрытия по Серии 3.903 КЛ-13.