УБ 6.24

Чертеж изделия:
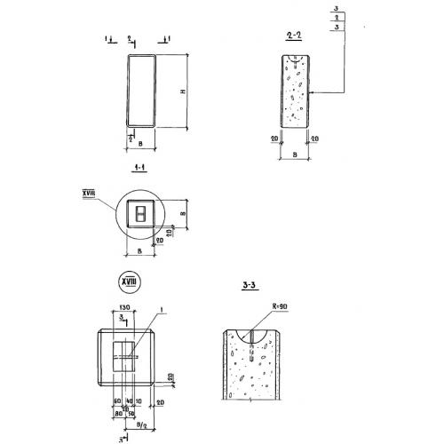
Характеристики изделия:
ПараметрЗначение
длина240 мм
ширина240 мм
высота580 мм
вес40 кг
Шифр1481

УБ 6.24 Угловые блоки по Шифру 1481.