СБВ 15.25.2.5

Чертеж изделия:
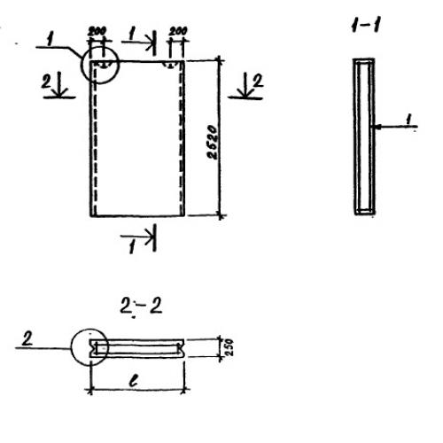
Характеристики изделия:
ПараметрЗначение
длина1480 мм
ширина250 мм
высота2520 мм
вес840 кг
серияТП 213-2-183

СБВ 15.25.2.5 Стеновые блоки внутренние по проекту ТП 213-2-183.